Manifold Mounted Miniature Pressure RegulatorItem # 50806-00-50-00

The unit is screw driver adjustable and is equipped with a locking ring to prevent tampering after the setting is made.
Several adjustment ranges are available for close regulation in most applications. Special designs are available.
| Item # | 50806-00-50-00 |
| Diagrams | Relieving |
| Secondary Pressure Regulation Range | 0 - 75 psi (5 Bar) |
| Operating Pressure Range | 0 to 145 psi |
| Regulator Range | 0 to 75 psi |
| Porting | Manifold Mounted |
| Flow Rate | Dependent on regulator model. |
| Media | Filtered Air |
| Types | Relieving Single stage, diaphragm/spring construction |
| Response Time | Dependent on secondary volume. Response average: 45ms at 20% loss of secondary air pressure; 100ms at 50% loss of secondary air pressure. |
| Adjustment | Screw driver Adj. Equipped with locking nut to prevent tampering after setting is made |
| Materials | Buna N Seals Stainless Interior Parts Brass Interior Parts Molded POM Housing |
| Operating Ambient | 0 to +60 ºC 32 to 140 ºF |
| Height | 1 9/16 in. |
| Width | 1 3/16 in² |
| Weight | 2 oz. |
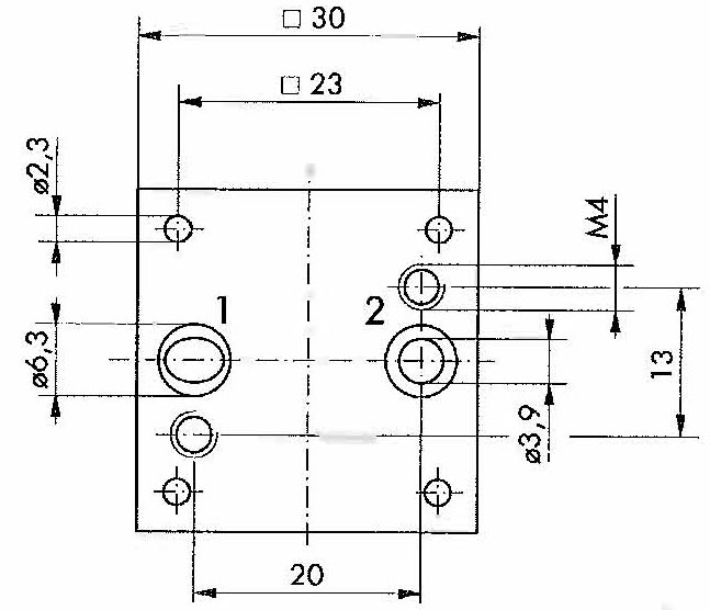
| Drilling Plan | Regulator Bottom View(Dimensions in millimeters) |
Relieving type regulators allow excessive pressure on the secondary side of the regulator to bleed off to the atmosphere, helping maintain steady pressure. Non-relieving types are used where pressure build up is not a concern as in air motors, or air gun applications etc.
- Flow Chart


- Ellis/Kuhnke Controls
132 Lewis Street Unit A-2, Eatontown, N.J. 07724
Phone: 1-800-221-0714
Fax: 732-291-8154
Email: Info@ekci.com
- Home Pneumatic Controls Technical Info CAD Drawings Contact Us Pneumatic Timers Blog Site Map
If you are looking for Pneumatic Controls, Pneumatic Valves then look no further than Ellis/Kuhnke Controls.

Relieving
Regulator Bottom View